- Главная
- Каталог
- Крепеж
- Винты, саморезы, заклёпки
- Винты с цилиндрической головкой
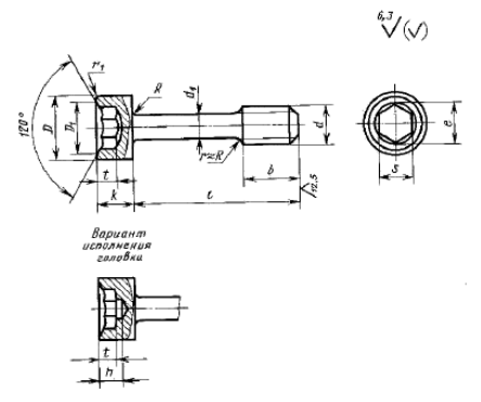
- Винт с цилиндрической головкой и шестигранным углублением, класс точности В ГОСТ 10342-80
Винт с цилиндрической головкой и шестигранным углублением, класс точности В ГОСТ 10342-80
Винты с цилиндрической головкой и шестигранным углублением "под ключ" невыпадающие, класс точности В ГОСТ 10342-80. Класс точности: B. Поле допуска резьбы: 6g. Класс прочности: 5,8; 8,8.




