- Главная
- Каталог
- Крепеж
- Гайки
- Гайки корончатые прорезные
- Гайка шестигранная прорезная низкая с уменьшенным размером "под ключ", класс точности А ГОСТ 5935-73
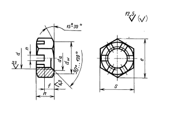
Гайка шестигранная прорезная низкая с уменьшенным размером "под ключ", класс точности А ГОСТ 5935-73
Гайки шестигранные прорезная низкая с уменьшенным размером "под ключ", класс точности А ГОСТ 5935-73.
Класс точности: А.
Марка стали: 3, 20, 35, 45, 40Х, 09Г2С, 12Х13.
Класс прочности: 4; 5; 6; 8; 10; 12.
Аналог ГОСТ: ГОСТ 5919-73
Класс точности: А.
Марка стали: 3, 20, 35, 45, 40Х, 09Г2С, 12Х13.
Класс прочности: 4; 5; 6; 8; 10; 12.
Аналог ГОСТ: ГОСТ 5919-73




