- Главная
- Каталог
- Крепеж
- Болты
- Болты призонные
- Болт призонный ГОСТ 7817-80
Болт призонный ГОСТ 7817-80
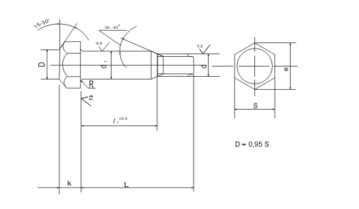
Призонные болты ГОСТ 7817-80 ещё называют шестигранными с уменьшенной головкой. Слово «призонный» — производное от термина «прецизионный», говорящего о высокой точности изделий. Такие болты устанавливают в точно обработанные отверстия, когда важно отсутствие зазоров. Крепежи используют для соединения конструкций из любых материалов — от металлов до древесины. Чаще всего изделия используют при монтаже розеток. Санкт-Петербургский Завод крепёжных изделий занимается изготовлением и продажей призонных (прецизионных) болтов. Работаем по чертежам заказчиков и типовым проектам.
Назначение и особенности изготовления
Призонные болты ГОСТ 7817-80 используются в производстве мебели, строительного инвентаря и оборудования, а также в сфере машиностроения. Основное назначение изделий — формирование соединений, выдерживающих высокие статические, динамические (то есть ударные) и циклические нагрузки. Поэтому крепежи часто применяют при сборке редукторов, роторов и муфт.
Для изготовления крепежных элементов используются высокопрочные стали марки ст. 35. Сырьевой материал позволяет реализовывать стяжку соединяемых конструкций на высоком уровне. Призонные болты ГОСТ 7817-80 помогают центрировать соединяемые элементы, что, в свою очередь, исключает необходимость дополнительных манипуляций для достижения их соосности.
Для прецизионных крепежей характерны такие параметры:
- Поле допуска резьбы составляет 6g.
- Класс точности — А (наивысшая точность).
- Класс прочности — от 4,8 до 12,9.
- Материал изготовления — углеродистая или легированная конструкционная сталь.
- Покрытие — гальваническое или горячее оцинкованное (выпускаются также изделия без дополнительного покрытия).
Крепежные элементы нормально справляются с повышенной влажностью; эксплуатация в агрессивной среде нежелательна.
Преимущества заказа в СПбЗКИ
Санкт-Петербургский Завод крепёжных изделий поможет выгодно купить призонные болты ГОСТ 7817-80. Мы самостоятельно изготавливаем крепежи и контролируем весь производственный цикл: анализ сырья, контроль производственных этапов, тестирование готовых изделий.
Выполняем индивидуальные заказы по чертежам клиентов и типовые проекты. Доставка возможна в любой регион России. Заказы принимаются и отправляются ежедневно с 09:00 до 18:30.
Призонные болты ГОСТ 7817-80 ещё называют шестигранными с уменьшенной головкой. Слово «призонный» — производное от термина «прецизионный», говорящего о высокой точности изделий. Такие болты устанавливают в точно обработанные отверстия, когда важно отсутствие зазоров. Крепежи используют для соединения конструкций из любых материалов — от металлов до древесины. Чаще всего изделия используют при монтаже розеток. Санкт-Петербургский Завод крепёжных изделий занимается изготовлением и продажей призонных (прецизионных) болтов. Работаем по чертежам заказчиков и типовым проектам.
Назначение и особенности изготовления
Призонные болты ГОСТ 7817-80 используются в производстве мебели, строительного инвентаря и оборудования, а также в сфере машиностроения. Основное назначение изделий — формирование соединений, выдерживающих высокие статические, динамические (то есть ударные) и циклические нагрузки. Поэтому крепежи часто применяют при сборке редукторов, роторов и муфт.
Для изготовления крепежных элементов используются высокопрочные стали марки ст. 35. Сырьевой материал позволяет реализовывать стяжку соединяемых конструкций на высоком уровне. Призонные болты ГОСТ 7817-80 помогают центрировать соединяемые элементы, что, в свою очередь, исключает необходимость дополнительных манипуляций для достижения их соосности.
Для прецизионных крепежей характерны такие параметры:
- Поле допуска резьбы составляет 6g.
- Класс точности — А (наивысшая точность).
- Класс прочности — от 4,8 до 12,9.
- Материал изготовления — углеродистая или легированная конструкционная сталь.
- Покрытие — гальваническое или горячее оцинкованное (выпускаются также изделия без дополнительного покрытия).
Крепежные элементы нормально справляются с повышенной влажностью; эксплуатация в агрессивной среде нежелательна.
Преимущества заказа в СПбЗКИ
Санкт-Петербургский Завод крепёжных изделий поможет выгодно купить призонные болты ГОСТ 7817-80. Мы самостоятельно изготавливаем крепежи и контролируем весь производственный цикл: анализ сырья, контроль производственных этапов, тестирование готовых изделий.
Выполняем индивидуальные заказы по чертежам клиентов и типовые проекты. Доставка возможна в любой регион России. Заказы принимаются и отправляются ежедневно с 09:00 до 18:30.




